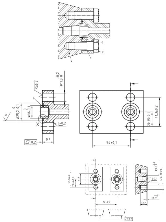
Adaptateurs à bride ovale DIN 2 boulons pour instruments de mesure de pression jusqu'à 41,3 MPa et dispositifs d'arrêt à brides.
L'adaptateur de bride ovale est la connexion des raccords de tube à un bloc de vannes. Les raccords à brides ovales peuvent être adaptés à tous les processus, tels que les commandes d'instrumentation, les vannes d'arrêt de pression, la conduite de carburant du moteur et l'échappement du moteur de la pompe, etc.
De la connexion de l'adaptateur aux dimensions de la bride ovale selon les normes associées, comme suit:
L'extrémité de la bride ovale est conforme à la norme DIN EN 61518-A
Les connexions de goujon d'adaptateur de tube sont choisies par les besoins des clients:
Connexion de l'orifice de filetage conique: filetage NPT, filetage BSPT, filetage conique métrique.
Raccords des orifices de joint torique: filetage métrique ISO 6149-1, filetage UNF SAE J1926-1, filetage BSPP BS 5380 et JIS B2351.
Raccords d'orifice à joint à face plate: filetage BSPP DIN 3852-1 / ISO 1179-1 et filetage métrique DIN 3852-1 / ISO 9974-1.
Les connexions des raccords de tube sont les options suivantes:
Raccords pour tubes à cône 24 degrés DIN 2353 / ISO 8434-1.
Raccords pour tubes évasés à 37 degrés JIC SAE J514 / ISO 8434-2.
Raccords de tube à joint torique à joint facial SAE J1453 / ISO 8434-3.
Connecteurs de tube conique 60 degrés BS 5200 / ISO 8434-6
Adaptateurs à bride ovale DIN 2 boulons pour montage sur collecteur / transmetteur selon EN 61518
Le matériau des adaptateurs à bride ovale est disponible en acier inoxydable 316 ou 316L, en acier au carbone C25 ou C45.
Le numéro de trafic douanier (code SH) est 902690
Les raccords à bride décrits ci-dessus ne sont exploités que dans les limites de pression et de température réglées pour l'assemblage d'instruments de mesure et de dispositifs de verrouillage.
Raccordements à bride de type B des adaptateurs à bride ovales

Raccord à bride de type A d'adaptateurs à bride ovale DIN 2 boulons

étiquette à chaud: adaptateur de bride ovale, Chine, fabricants, fournisseurs, personnalisé, laiton, swagelok, Parker, Stauff, Brennan, acier inoxydable












