Il existe de nombreux modèles de raccords hydrauliques JIC, tels que Parker, Gates, Eaton, Worldwidefitting, mysspusa, brenaninc, ryco, voies respiratoires, Alfagoma, forfittings, pirtek, fluiconnecto, tompkinsind, stauff, voss, hansa-flex, etc. Tous les raccords hydrauliques JIC Le catalogue est conforme aux normes ISO 8434-2 et SAE J514.
Contenu du catalogue de raccords hydrauliques JIC de Jiayuan:
Raccords JIC d'un tube à l'autre
Raccords JIC de tube à NPT
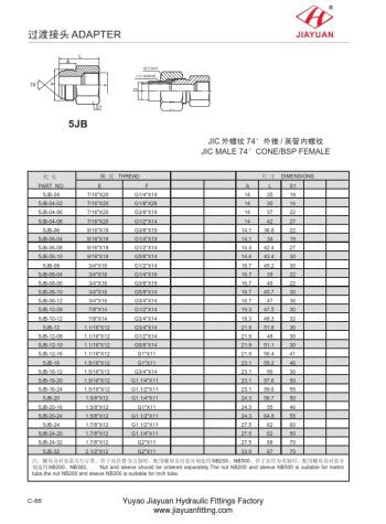
Raccords pour tubes JIC BSP
Tube pour raccords SAE ORB JIC
Raccords JIC pour tubes métriques
Raccords JIC tube à écrou pivotant
JIC noix manches
Adaptateurs de conversion JIC
Si vous avez besoin des raccords hydrauliques JIayuan JIC 37 SAE J514 / ISO 8434-2 catalogue pdf, n'hésitez pas à nous contacter.






